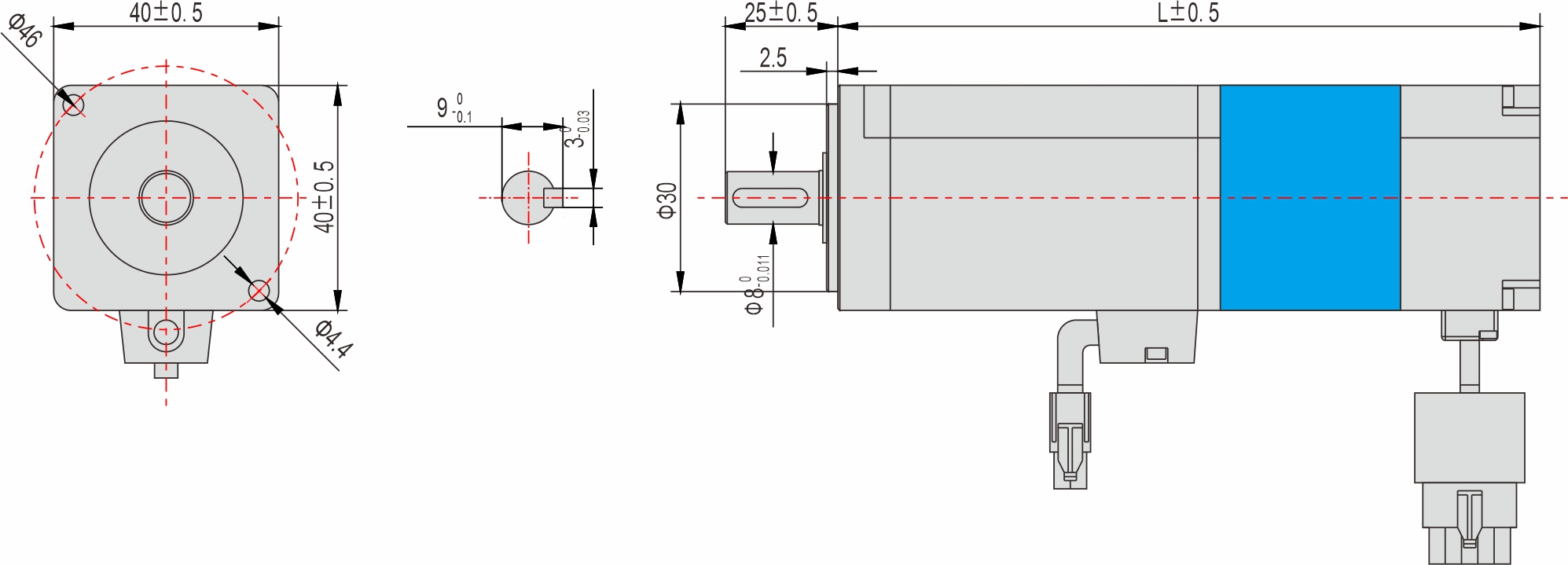
| Dimension(With Brake) |

※ refers to the brake;
※ We can customize the electrical parameters of the servo motor according to your needs, or add a planetary reducer;
※ When installing the servo motor, be sure to use the servo motor front end cover to install the stop position, and pay attention to the tolerance, strictly guarantee the concentricity of the servo motor output shaft and the load.
| 40mm(With Brake) |
Model | Size | Weight(kg) | |||
L(mm) | |||||
YSD04010ASK-S | 99 | 0.47 | |||
YSD04010ASK-S | 133.5 | 0.67 |
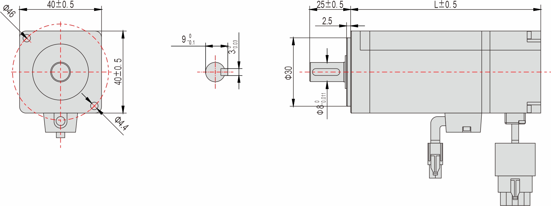
| Dimention |

※ We can customize the electrical parameters of the servo motor according to your needs, or add a planetary reducer;
※ When installing a servo motor, be sure to use the servo motor front end cover to install the stop position, pay attention to the tolerance, and strictly guarantee the concentricity of the servo motor output shaft and the load.
| 40mm |
Model | Size | Weight(kg) | |||
L(mm) | |||||
YSD04010ASK | 99 | 0.47 | |||
YSD04010ASK | 99 | 0.47 |
| Technical Parameters |
Servo Motor Model | YSD04010ASK | YSD04010ASK | ||||
Servo Motor Model(With Brake) | YSD04010ASK-S | YSD04010ASK-S | ||||
Servo Driver Model | SDA016-MF20-010 | SDA016-MF20-010 | ||||
Flange Size(□) | □40 | □40 | ||||
Corresponding Motors | W | 100 | 100 | |||
Rated Torque | N.m | 0.32 | 0.32 | |||
kgf.cm | 3.26 | 3.26 | ||||
Max Torque | N.m | 0.96 | 0.96 | |||
kgf.cm | 9.79 | 9.79 | ||||
Rated Rotation | r/min | 3000 | 3000 | |||
Rotor Inertia | kg.m2X10-4 | 0.035 | 0.035 | |||
Torque Constant | N.m/A | 0.8 | 0.8 | |||
Voltage Constant | V/krpm | 18.6 | 18.6 | |||
Resistance | Ω | 13.9 | 13.9 | |||
Inductance | mH | 31.9 | 31.9 | |||
Timer Constant | ms | 2.3 | 2.3 | |||
Specifcation and Features | Structure | Enclosed totally, nonventilated IP65(not including the shaft and the connection part) | ||||
Ambient Temp | Working temperature:0~40℃,Storage temperature:-20~80℃ | |||||
Ambient Humidity | Lower than 90%(No condensation) | |||||
Air | Avoid direct sunlight, corrosive gas, flammable gas, greasy dirt or dust | |||||
Weight | kg | 1.3 | 0.47 | |||
Weight(With Brake) | kg | 1.3 | 0.67 | |||
※ Please discuss with us or our agents if there is any other special requirements.
| Optional Accessories |
Motor Power Line:
Model | Length(m) | Conductor(m㎡) |
SDA-PC050-01E | 1 | 0.5 |
SDA-PC050-02E | 2 | |
SDA-PC050-03E | 3 | |
SDA-PC050-04E | 4 | |
SDA-PC050-05E | 5 | |
SDA-PC050-07E | 7 | |
…… | …… | |
SDA-PC050-10E | 10 |
※ 10 million times ultra-flexible drag chain cable with crimped connector used for connection between servo motor and driver。
The wiring distance between the servo motor and the driver should be controlled within 10m。
Motor Encoder Line:
Model | Length(m) | Conductor(m㎡) |
SDA-EC020-01E | 1 | 0.2 |
SDA-EC020-02E | 2 | |
SDA-EC020-03E | 3 | |
SDA-EC020-04E | 4 | |
SDA-ED020-05E | 5 | |
SDA-EC020-07E | 7 | |
…… | …… | |
SDA-EC020-10E | 10 |
※ 10 million times ultra-flexible drag chain cable with crimped connector used for connection between servo motor and driver。
The wiring distance between the servo motor and the driver should be controlled within 10m。
Motor Brake Line:
Model | Length(m) | Conductor(m㎡) |
SDA-BC050-01E | 1 | 0.5 |
SDA-BC050-02E | 2 | |
SDA-BC050-03E | 3 | |
SDA-BC050-04E | 4 | |
SDA-BC050-05E | 5 | |
SDA-BC050-07E | 7 | |
…… | …… | |
SDA-BC050-10E | 10 |
※ 10 million times ultra-flexible drag chain cable with crimped connector used for connection between servo motor and driver。
The wiring distance between the servo motor and the driver should be controlled within 10m。
| Precautions For Cables |

|
| |
When plugging and unplugging the connector, be sure to hold the connector for operation。 If you pull on the cable, it may cause poor contact。 | Do not bend the cable at the connector part, if stress is applied to the connection part or the terminal, it may cause poor contact or disconnection。 Please fix the red two connector parts to prevent the connector parts from shaking, which may cause terminal damage or poor contact。 | |
|
| |
When plugging in the connector: Hold the connector body and insert it straight。 If inserted at an angle, it may cause terminal damage or poor contact。 When unplugging the connector: Please unlatch the connector first, then pull it straight out。 If you hold the cable and pull it out, the connector may be damaged。 | Please use the appropriate length for wiring so that the cable will not be pulled when moving. In addition, please make sure that the bending radius R is above the cable diameter of 6。 |






