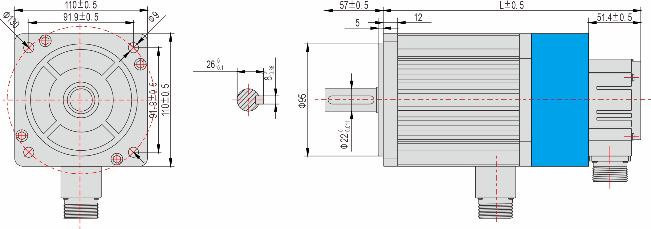
| Dimension(With Brake) |

※ refers to the brake;
※ We can customize the electrical parameters of the servo motor according to your needs, or add a planetary reducer;
※ When installing the servo motor, be sure to use the servo motor front end cover to install the stop position, and pay attention to the tolerance, strictly guarantee the concentricity of the servo motor output shaft and the load.
| 110mm(With Brake) |
Model | Size | Weight (kg) | |||
L(mm) | |||||
YSD11060ASK-S | 215 | 6.5 | |||
YSD11080DSK-S | 245 | 8 | |||
YSD11120ASK-S | 245 | 8 | |||
YSD11150ASK-S | 260 | 8.9 | |||
YSD11180ASK-S | 275 | 9.9 |
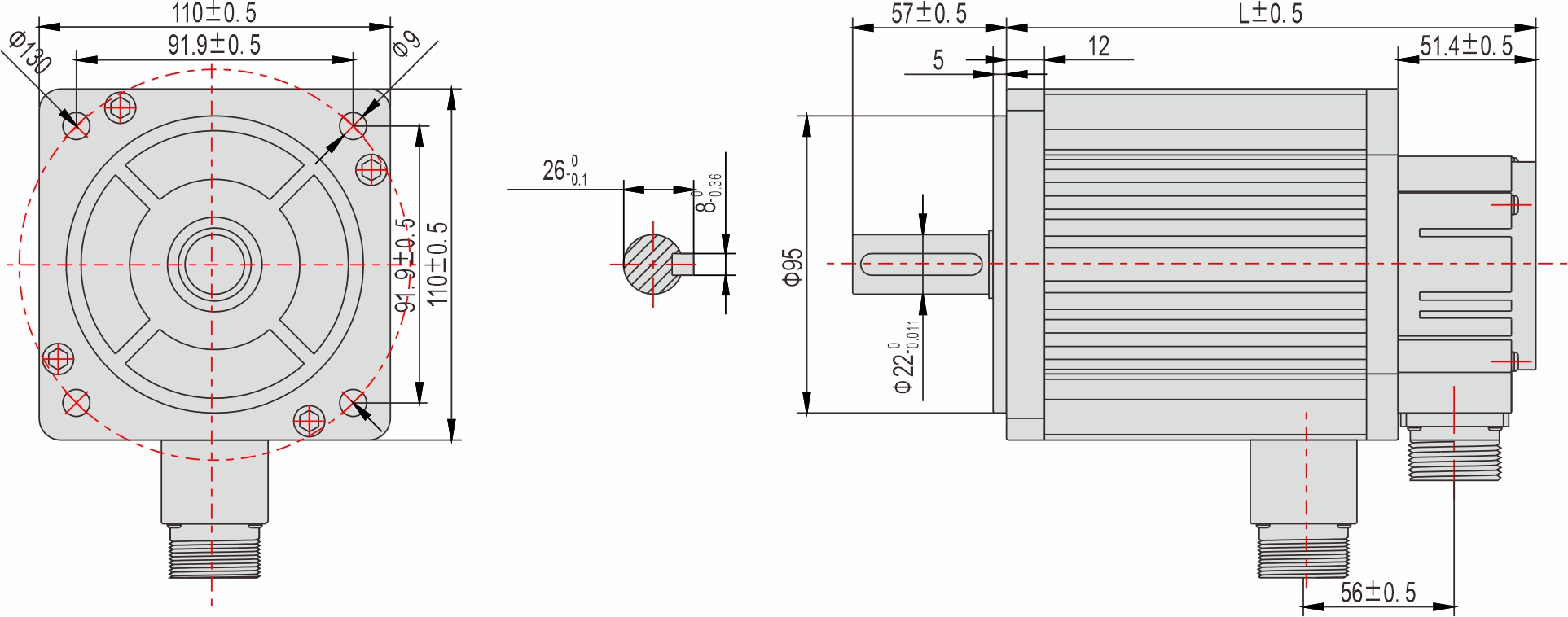
| Dimention |

※ We can customize the electrical parameters of the servo motor according to your needs, or add a planetary reducer;
※ When installing a servo motor, be sure to use the servo motor front end cover to install the stop position, pay attention to the tolerance, and strictly guarantee the concentricity of the servo motor output shaft and the load.
| 110mm |
Model | Size | Weight (kg) | |||
L(mm) | |||||
YSD11060ASK | 159 | 4.5 | |||
YSD11080DSK | 189 | 6 | |||
YSD11120ASK | 189 | 6 | |||
YSD11150ASK | 204 | 6.9 | |||
YSD11180ASK | 219 | 7.9 |
| Technical Parameters |
Servo Motor Model | YSD11060ASK | YSD11080DSK | YSD11120ASK | YSD11150ASK | YSD11800ASK | |
Servo Motor Model(With Brake) | YSD11060ASK-S | YSD11080DSK-S | YSD11120ASK-S | YSD11150ASK-S | YSD11800ASK-S | |
Servo Driver Model | SDA076-MF30-060 | SDA076-MF30-080 | SDA076-MF30-120 | SDA076-MF30-150 | SDA100-MF30-180 | |
Flange Size(□) | □110 | □110 | □110 | □110 | □110 | |
Corresponding Motors | W | 600 | 800 | 1200 | 1500 | 1800 |
Rated Torque | N.m | 2 | 4 | 4 | 5 | 6 |
kgf.cm | 20.41 | 40.82 | 40.82 | 51.02 | 61.22 | |
Max Torque | N.m | 6 | 12 | 12 | 15 | 18 |
kgf.cm | 61.22 | 122.45 | 122.45 | 153.06 | 183.67 | |
Rated Rotation | r/min | 3000 | 2000 | 3000 | 3000 | 3000 |
Rotor Inertia | kg.m2X10-4 | 3.1 | 5.4 | 5.4 | 6.3 | 7.6 |
Torque Constant | N.m/A | 0.8 | 1.14 | 0.8 | 0.83 | 1 |
Voltage Constant | V/krpm | 55 | 78 | 55 | 63 | 61 |
Resistance | Ω | 3.61 | 2.42 | 1.08 | 1.02 | 0.82 |
Inductance | mH | 8.33 | 7.4 | 3.4 | 3.44 | 2.28 |
Timer Constant | ms | 2.3 | 3.06 | 3.14 | 3.37 | 3.15 |
Specifcation and Features | Structure | Enclosed totally, nonventilated IP65(not including the shaft and the connection part) | ||||
Ambient Temp | Working temperature:0~40℃,Storage temperature:-20~80℃ | |||||
Ambient Humidity | Lower than 90%(No condensation) | |||||
Air | Avoid direct sunlight, corrosive gas, flammable gas, greasy dirt or dust | |||||
Weight | kg | 4.5 | 6 | 6 | 6.9 | 7.9 |
Weight(With Brake) | kg | 6.5 | 8 | 8 | 8.9 | 9.9 |
※ Please discuss with us or our agents if there is any other special requirements.



