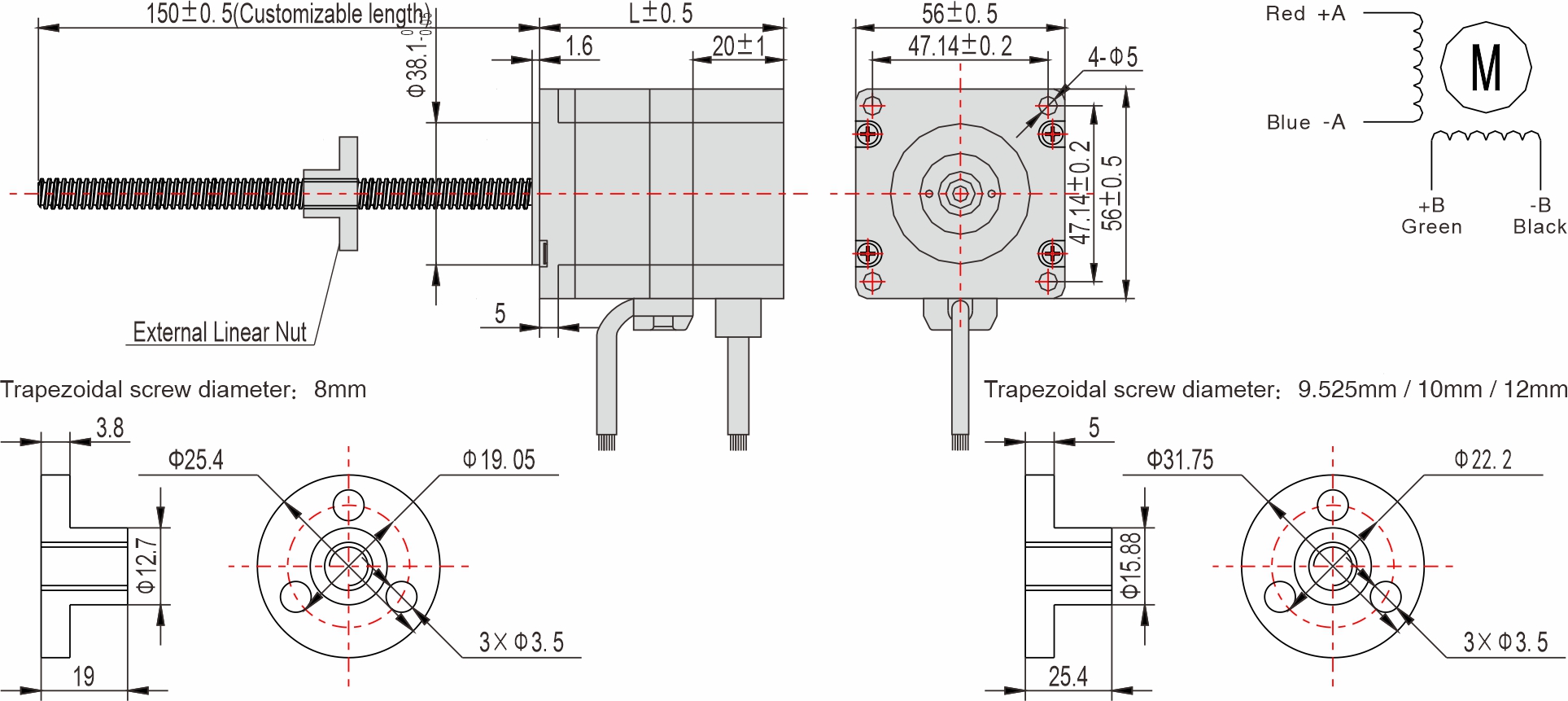
| Dimension |

※ We can formulate the electrical parameters of the T-screw linear closed-loop stepper motor according to your needs, and can also add a power-off brake;
※ When installing the T-type lead screw linear closed-loop stepper motor, be sure to use the front end cover of the motor to install the stopper for positioning, and pay attention to the tolerance coordination to strictly ensure the concentricity between the output shaft of the T-type lead screw linear closed-loop stepper motor and the load.
| Leadscrew Thread Dimension |
Lead code | Travel per stepper1.8° | Φ8mm | Φ9.525mm | Φ10mm | Φ12mm |
C | 0.003175 | 0.635 | |||
F | 0.00635 | 1.27 | |||
G | 0.0079375 | 1.5875 | |||
H | 0.01 | 2 | |||
HA | 0.01 |
| 2 | ||
J | 0.010541 | 2.1082 | |||
M | 0.0127 | 2.54 | |||
P | 0.015875 | 3.175 | |||
Q | 0.02 | 4 | |||
R | 0.021165 | 4.233 | |||
T | 0.025 | 5 | |||
U | 0.0254 | 5.08 | |||
W | 0.03175 | 6.35 | |||
X | 0.04 | 8 | |||
Z | 0.047625 | 9.525 | |||
AA | 0.048768 | 9.7536 | |||
AB | 0.05 | 10 | |||
AC | 0.0508 | 10.16 | |||
AD | 0.0635 | 12.7 | |||
AE | 0.1 | 20 | |||
AF | 0.127 | 25.4 |
| Screw End Machining |

| Ordering Information |

| Technical Parameters |
Stepper Motor Model | Driver Model | Current / Phase | Resistance / Phase | Inductance / Phase | Holding Torque | Lead | Rotor inertia | Weight | Length | |
| A | Ω | mH | kg-cm |
| g-cm2 | Kg | L(mm) | ||
YSD254-ED4- | 3 | 0.5 | 1.2 | 7 | 4 | 120 | 61 | |||
YSD256-ED4- | 4.2 | 0.4 | 1.2 | 12 | 4 | 200 | 76 | |||
YSD258-ED4- | 4.2 | 0.6 | 2 | 22 | 4 | 480 | 99 | |||
※ For other special specifications, please negotiate with Instar Electromechanical or its agent.
| Optional Accessories |
Motor power line:
Model | Length(m) | Conductor(m㎡) |
SEB-PC050-01E | 1 | 0.5 |
SEB-PC050-02E | 2 | |
SEB-PC050-03E | 3 | |
SEB-PC050-04E | 4 | |
SEB-PC050-05E | 5 | |
SEB-PC050-07E | 7 | |
…… | …… | |
SEB-PC050-10E | 10 |
※ 10 million times ultra-flexible drag chain cable with crimped connector used for connection between closed-loop stepper motor and driver.
The wiring distance between the closed-loop stepper motor and the driver should be controlled within 10m.
Motor encoder line:
Model | Length(m) | Conductor(m㎡) |
SEB-EC020-01E | 1 | 0.2 |
SEB-EC020-02E | 2 | |
SEB-EC020-03E | 3 | |
SEB-EC020-04E | 4 | |
SEB-ED020-05E | 5 | |
SEB-EC020-07E | 7 | |
…… | …… | |
SEB-EC020-10E | 10 |
※ 10 million times ultra-flexible drag chain cable with crimped connector used for connection between closed-loop stepper motor and driver.
The wiring distance between the closed-loop stepper motor and the driver should be controlled within 10m.
| Precautions For Cables |

|
| |
When plugging and unplugging the connector, be sure to hold the connector for operation. If you pull on the cable, it may cause poor contact. | Do not bend the cable at the connector part, if stress is applied to the connection part or the terminal, it may cause poor contact or disconnection. Please fix the red two connector parts to prevent the connector parts from shaking, which may cause terminal damage or poor contact. | |
|
| |
When plugging in the connector: Hold the connector body and insert it straight. If inserted at an angle, it may cause terminal damage or poor contact. When unplugging the connector: Please unlatch the connector first, then pull it straight out. If you hold the cable and pull it out, the connector may be damaged. | Please use the appropriate length for wiring so that the cable will not be pulled when moving. In addition, please make sure that the bending radius R is above the cable diameter of 6. |
| Technical Parameters |
Item | Technical Parameter |
Step angle | 1.8゜ |
Step angle accuracy | ±5%(full step, no load) |
Resistance accuracy | ±10% |
Inductance accuracy | ±20% |
Temperature rise | 80℃ Max (rated current,2 phase on) |
Ambient temperature | -20℃~+50℃ |
Insulation resistance | 100MΩ Min500VDC |
Dielectric strength | 500V AC for one minute |
Shaft radial force | 0.02Max (450g load) |
Axial Play | 0.08Max (450g load) |
Max radial force | 75N (20mm from the flange) |
Max axial force | 15N |
| Application |
Woodworking engraving machine, laser engraving machine, marking machine, labeling machine, solid crystal machine, wire bonding machine, UV printer, 3D printer, inkjet printer, plotter, embroidery machine, dispensing machine, glue filling machine, soldering machine, BGA rework station, laminating machine, placement machine, hot press, backlight laminating machine, coating machine, reciprocating machine, terminal machine, stripping machine, winding machine, solder paste printing machine, PCB drilling machine, V -CUT machine, target machine, FPC reinforcement machine, coating machine, lamination machine, IC sorting machine, IC burner, tape machine, medical equipment, non-standard equipment, XYZ measuring instrument, connector assembly machine, SMT peripheral equipment etc.






