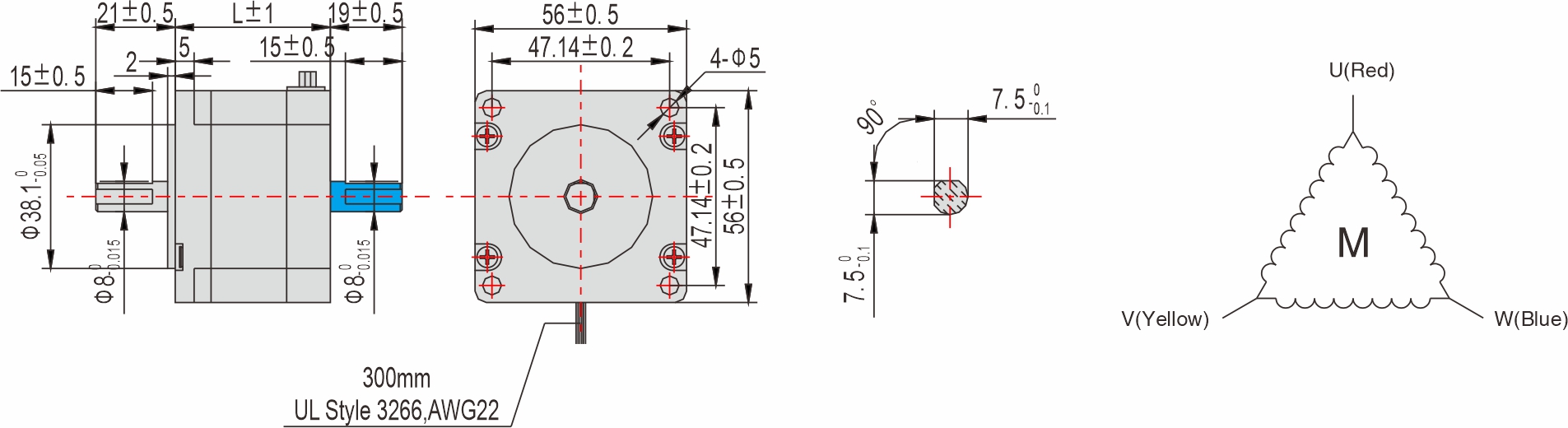
| Dimension |

※ The dimension is the double-shaft product, while single-shaft product has no single shaft;
※ We can customize the parameters of stepper motor as your order, and add eccentric gear reducer or planetary reducer, brake and encoder etc;
※ Spigot installation with front cover is a must when seting up the motor, besides tolerance fiding should be taken into account , to secure the concentricity of output shaft and motor output.
| 56mm |
Model | Size | Weight (kg) | |||
L(mm) | |||||
YSD354-XXX | 40.5 | 0.5 | |||
YSD355-XXX | 53.5 | 0.75 | |||
YSD358-XXX | 76.5 | 1.1 |
| Technical Parameters |
Stepper Motor Model | Driver Model | Current / Phase | Resistance / Phase | Inductance / Phase | Holding Torque | Lead | Rotor inertia | Weight | Length | |
Single Shaft | Double Shaft | A | Ω | mH | kg-cm | g-cm2 | Kg | L(mm) | ||
YSD354-RA3 | YSD354-RB3 | 5.2 | 1.3 | 1.4 | 4.5 | 3 | 100 | 0.5 | 40.5 | |
YSD355-RA3 | YSD355-RB3 | 5.6 | 0.7 | 1.7 | 9 | 3 | 220 | 0.75 | 53.5 | |
YSD358-RA3 | YSD358-RB3 | 5.8 | 1.05 | 2.4 | 15 | 3 | 380 | 1.1 | 76.5 | |
| Shaft Configuration |
|
|
|
| |||
Circular Shaft | Single Flat | Double Flat | Key Way | |||
|
|
|
| |||
Knurl | Hebbed Gear | Through-hole | Hollow Shaft | |||
|
|
| ||||
Worm Shaft | Gear | Metal Pulley |
| Customized wiring |
|
|
| ||
□42mm Series Motor end interface:Moles 89401-1160 Lead terminal interface:Moles 87369-1100 | □42mm Series Motor end interface:JST S6B-PH-K Lead terminal interface:JST PHR-6 | □56mm Series Motor end interface:JST S6B-FH Lead terminal interface:JST PHR-6 | ||
|
|
| ||
□56mm □60mm Series Motor end interface:JST S11B-XH-A-1 Lead terminal interface:JST XHP-11 | □56mm Series Motor end interface:JST S6B-XH-A-1 Lead terminal interface:JST XHP-6 | □60mm Series Motor end interface:JST S7B-XH-A-1 Lead terminal interface:JST XHP-7 |
| Technical Parameters |
Item | Instructions |
Step angle | 1.2゜ |
Step angle accuracy | ±5% (full step, no load) |
Resistance accuracy | ±10% |
Inductance accuracy | ±20% |
Temperature rise | 80℃ Max (rated current, 2 phase on) |
Ambient temperature | -20℃~+50℃ |
Insulation resistance | 100MΩ Min500VDC |
Dielectric strength | 500V AC for one minute |
Shaft Radial Force | 0.02Max (450g load) |
Axial Play | 0.08Max (450g load) |
Max Radial Force | 75N (20mm from the flange) |
Max Axial Force | 15N |
| Application |
Woodworking engraving machine, laser engraving machine, marking machine, labeling machine, solid crystal machine, wire bonding machine, UV printer, 3D printer, inkjet printer, plotter, embroidery machine, dispensing machine, glue filling machine, soldering machine, BGA rework station, laminating machine, placement machine, hot press, backlight laminating machine, coating machine, reciprocating machine, terminal machine, stripping machine, winding machine, solder paste printing machine, PCB drilling machine, V -CUT machine, target machine, FPC reinforcement machine, coating machine, lamination machine, IC sorting machine, IC burner, tape machine, medical equipment, non-standard equipment, XYZ measuring instrument, connector assembly machine, SMT peripheral equipment etc.



















