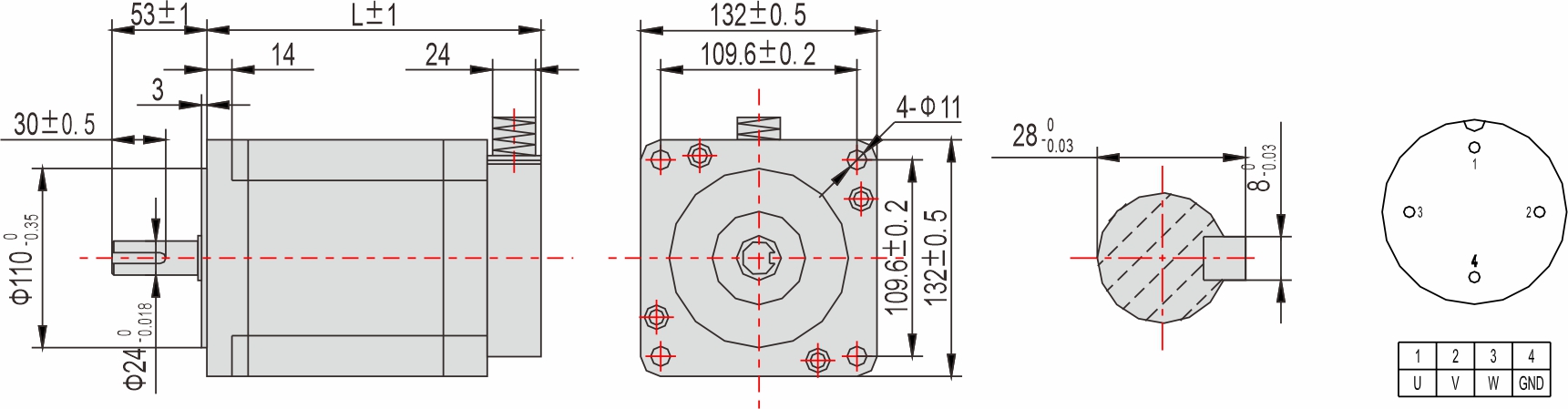
| Dimension |

※ The above drawings are for single-shaft product;
※ We can customize the parameters of stepper motor as your order, and add eccentric gear reducer or planetary reducer, brake and encoder etc;
※ Spigot installation with front cover is a must when seting up the motor, besides tolerance fiding should be taken into account , to secure the concentricity of output shaft and motor output.
| 130mm |
Model | Size | Weight (kg) | |||
L(mm) | |||||
YSD31318-XXX | 183 | 14.1 | |||
YSD31321-XXX | 215 | 215 | |||
YSD31325-XXX | 247 | 247 |
| Technical Parameters |
Stepper Motor Model | Driver Model | Current / Phase | Resistance / Phase | Inductance / Phase | Holding Torque | Lead | Rotor inertia | Weight | Length | |
Single Shaft | A | Ω | mH | kg-cm | g-cm2 | Kg | L(mm) | |||
YSD31318-KA3 | 4 | 3.2 | 22.1 | 200 | 3 | 26700 | 14.1 | 183 | ||
YSD31321-KA3 | 4 | 0.8 | 17.6 | 280 | 3 | 33970 | 17.2 | 215 | ||
YSD31325-KA3 | 4 | 1.1 | 23.1 | 350 | 3 | 41240 | 19.8 | 247 | ||
| Shaft Configuration |
|
|
|
| |||
Circular Shaft | Single Flat | Double Flat | Key Way | |||
|
|
|
| |||
Knurl | Hebbed Gear | Through-hole | Hollow Shaft | |||
|
|
| ||||
Worm Shaft | Gear | Metal Pulley |
| Technical Parameters |
Item | Instructions |
Step angle | 1.2゜ |
Step angle accuracy | ±5% (full step, no load) |
Resistance accuracy | ±10% |
Inductance accuracy | ±20% |
Temperature rise | 80℃ Max (rated current, 2 phase on) |
Ambient temperature | -20℃~+50℃ |
Insulation resistance | 100MΩ Min500VDC |
Dielectric strength | 500V AC for one minute |
Shaft Radial Force | 0.02Max (450g load) |
Axial Play | 0.08Max (450g load) |
Max Radial Force | 220N (20mm from the flange) |
Max Axial Force | 60N |
| Application |
Woodworking engraving machine, laser engraving machine, marking machine, labeling machine, solid crystal machine, wire bonding machine, UV printer, 3D printer, inkjet printer, plotter, embroidery machine, dispensing machine, glue filling machine, soldering machine, BGA rework station, laminating machine, placement machine, hot press, backlight laminating machine, coating machine, reciprocating machine, terminal machine, stripping machine, winding machine, solder paste printing machine, PCB drilling machine, V -CUT machine, target machine, FPC reinforcement machine, coating machine, lamination machine, IC sorting machine, IC burner, tape machine, medical equipment, non-standard equipment, XYZ measuring instrument, connector assembly machine, SMT peripheral equipment etc.














